Calcul de vérification d'un Clips

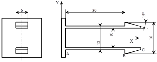
Le clips dessiné ci-dessus à l'échelle 2 sert à boucher un trou rectangulaire de \(12 \times 6~\mathrm{mm}\). Il est réalisé en tôle d'acier d'épaisseur \(1~\mathrm{mm}\).
Mettre en place (dans le cas où le contact est au voisinage du point \(B\)) les actions mécaniques qui s'exercent sur ce clips lorsqu'on l'enfonce dans le trou si on admet que le coefficient de frottement entre les deux éléments est de \(0,2\) (montage à sec).
Question
Q1. Calculer la flèche maximale de l'une des pattes (déplacement du point B).
Solution
\(f=\frac{16-12}{2}=2~\mathrm{mm}\)
Question
Q2. Calculer la norme de la composante suivant \(\vec{y}\) de l'action exercée par le trou sur l'une des pattes de ce clips dans le cas où le contact est au voisinage du point \(B\).
Solution
Pour une poutre encastrée en flexion pure, on a : \(f=\frac{F_yL^3}{3EI_{G_z}}\), donc \(F_y=\frac{3EI_{G_Z}}{L^3}\)
Question
Q3. Calculer la norme de l'effort maximal nécessaire à l'introduction de ce clips dans le trou.
Solution
D'après la symétrie selon \(x\) du clips, les intensités des efforts \(N_1\) et \(N_2\) sont égales (de même pour les efforts \(T_1\) et \(T_2\)).
En isolant le clips et en écrivant l'équation de la résultante statique sur \(x\), on a : \(F-2T_1\cos15°-2N_1\sin15°=0\)
Or à la limite du glissement \(T_1=\tan\varphi\ N_1=0,2\ N_1\), soit \(F=2(\tan\varphi \cos15°+\sin15°)N_1\)
Recherchons maintenant la relation entre \(N_1\) et \(F_y\) : \(F_y=N_1 \cos15°-T_1\sin15°=N_1(\cos15°-\tan\varphi \sin15°)\)
Au final : \(F=2\left( \frac{\tan\varphi\cos15°+\sin15°}{\cos15°-\tan\varphi\sin15°}\right)F_y=2\left( \frac{\tan\varphi+\tan15°}{1-\tan\varphi\tan15°}\right)\frac{3EI_{G_z}f}{L^3}\)
d'où \(\boxed{F=2\tan(\varphi+15°)\frac{3EI_{G_z}f}{L^3}}\)
AN : \(F=\frac{6\tan \left( \varphi +15 \right)\times210000\times\left( 6\times\frac{{{1}^{3}}}{12} \right)\times2}{{{30}^{3}}}=23~\mathrm{N}\)
Question
Q4. Écrire le torseur de cohésion relatif à la patte inférieure.
Solution
On isole la partie de droite du tronçon : \(\left\{\mathcal{T}_{coh}\right\}_B=\left\{ \begin{array}{c} \overrightarrow{N_2}+\overrightarrow{T_2} \\ \overrightarrow{0} \end{array}\right\}_B=\left\{0\right\}\)
\(\left\{\mathcal{T}_{coh}\right\}_G=\left\{ \begin{array}{c} \overrightarrow{N_2}+\overrightarrow{T_2} \\ \overrightarrow{GB}\wedge(\overrightarrow{N_2}+\overrightarrow{T_2}) \end{array}\right\}_G=\left\{ \begin{array}{c} \overrightarrow{N_2}+\overrightarrow{T_2} \\ (L-x)\overrightarrow{x}\wedge(\overrightarrow{N_2}+\overrightarrow{T_2}) \end{array}\right\}_G\)
\(\left\{\mathcal{T}_{coh}\right\}_G=\left\{ \begin{array}{c} N_2\left[(\sin15°\overrightarrow{x}+\cos15°\overrightarrow{y})+T_2(-\cos15°\overrightarrow{x}-\sin15°\overrightarrow{y})\right] \\ N_2(L-x)(\cos15°-\tan\varphi \sin15°)\overrightarrow{z}\end{array}\right\}_G\)
Question
Q5. Calculer la valeur de la contrainte maximale au niveau du point \(A\) et vérifier si elle est acceptable. Justifier votre réponse.
Solution
\(I_{G_z}=\frac{3\times1^3}{12}=0,5~\mathrm{mm}^4\)
\(\sigma_{\max}=\frac{M_{F_z\max }y_{\max}}{I_{G_z}}=\frac{N_2 L (\cos15°-\tan\varphi\sin15°)y_{\max}}{I_{G_z}}\)
\(\sigma_{\max}=\left(\frac{3EI_{G_z}f}{(\cos15°-\tan\varphi\sin15°)} \right)\frac{L(\cos15°-\tan\varphi\sin15°)y_{\max}}{I_{G_z}}=\frac{3Efy_{\max}}{L^2}\)
AN : \({{\sigma }_{max}}=\frac{3\times210000\times2\times0.5}{{{30}^{2}}}=700~\mathrm{MPa}\)
\({\sigma }_{max}\) est supérieur à la limite élastique de l'acier. Le clips va plastifier lors de sa mise en place.