Raccordement du module TBX AES 400
(Traduction du document original anglais)
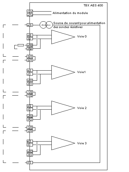
Schéma de principe
L’illustration suivante montre le schéma de principe du module TBX AES 400.
NOTE : les bornes + R• et - R• sont une répétition des bornes + I• et - I• qui permettent le raccordement du shunt pour les gammes 0..20 mA et 4..20 mA.
Les bornes 0/1,1/2, 2/3 permettent de réaliser le chaînage des alimentations des sondes résistives. Leur utilisation n'est pas obligatoire par contre la boucle de courant doit être refermée sur -Is.
Câblage du bornier
Le schéma suivant illustre le câblage du bornier.
1 
Entrées à utiliser pour le câblage des thermosondes.