|
Auxiliary
|
Functions
|
|---|---|
|
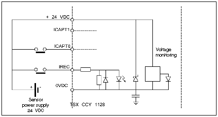
IREC
|
Adjustment of the position measurement
|
|
ICAPT0
|
Position capture in register 0
|
|
ICAPT1
|
Position capture in register 1
|


|
Diagram (front view)
|
Pin No.
|
Signal
|
Designation
|
|---|---|---|---|
![]() |
1
|
5 V
|
Encoder supply input +5 VDC
|
|
2
|
0 V
|
Encoder supply input – 0VDC
|
|
|
3
|
10..30V
|
Encoder supply input + 10…30VDC
|
|
|
4
|
VRef
|
Reference input voltage for encoder supply monitoring
|
|
|
5
|
IREC
|
Auxiliary adjustment input
|
|
|
6
|
-
|
Not wired
|
|
|
7
|
ICAPT0
|
Auxiliary capture input 0
|
|
|
8
|
ICAPT1
|
Auxiliary capture input 1
|
|
|
9
|
-
|
Not wired
|
|
|
10
|
-
|
Not wired
|
|
|
11
|
-
|
Not wired
|
|
|
12
|
-
|
Not wired
|
|
|
13
|
-
|
Not wired
|
|
|
14
|
-
|
Not wired
|
|
|
15
|
|
Not wired
|
|
|
16
|
|
Not wired
|
|
|
17
|
24 V
|
Sensor supply input + 24VDC
|
|
|
18
|
0 V
|
Sensor supply input - 0VDC
|
|
|
19
|
24 V
|
Sensor supply input + 24VDC
|
|
|
20
|
0 V
|
Sensor supply input - 0VDC
|



|
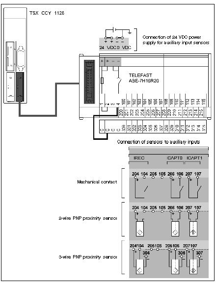
TELEFAST screw terminal block (No. of terminal)
|
HE10 connector
20 points (pin number)
|
Type of signal
|
Functions
|
|---|---|---|---|
|
100
|
1
|
+ 5VDC
|
Encoder supply
|
|
101
|
2
|
- 0 VDC
|
|
|
102
|
3
|
+10...30VDC
|
|
|
103
|
4
|
VRef
|
Reference input voltage for encoder supply feedback monitoring
|
|
104
|
5
|
IREC
|
Adjustment input
|
|
105
|
6
|
Not connected
|
-
|
|
106
|
7
|
ICAPT0
|
Capture input register 0
|
|
107
|
8
|
ICAPT1
|
Capture input register 1
|
|
108 to 115
|
9 to 16
|
Not connected
|
-
|
|
+ 24VDC
|
17
|
-
|
Auxiliary input sensor supply
|
|
- 0 VDC
|
18
|
-
|
|
|
+ 24VDC
|
19
|
-
|
|
|
- 0 VDC
|
20
|
-
|
|
|
1
|
-
|
-
|
Terminals 200 to 215 at + 24VDC if terminals 1 and 2 are connected
|
|
2
|
-
|
-
|
|
|
3
|
-
|
-
|
Terminals 200 to 215 at - 24VDC if terminals 3 and 4 are connected
|
|
4
|
-
|
-
|
|
|
200...215
|
-
|
-
|
Connecting shared sensors to:
|
|
300...315
|
-
|
-
|
At the optional ABE-7BV20 bar, the terminals that can be used as a shared sensor must be connected, using a wire, to the desired shared voltage.
|
