The encoder supply can be connected:
-
either by using a TELEFAST ABE-7H16R20 cable interface, which is then connected to the module using a TSX CDP ••3 cable.
-
or directly, using a TSX CDP •01 pre-wired strand
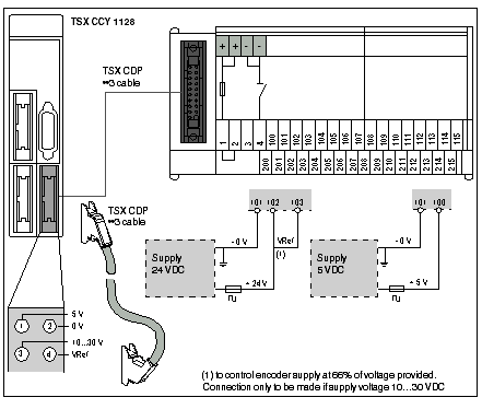
Process diagram for connecting the encoder supply to the TELEFAST interface
The diagram below shows the process for connecting the encoder supply.
-
At 24 VDC for an encoder with a 10…30 VDC supply format,
-
and at 5 VDC for an encoder with a 5 VDC supply.
Catalog of TSX CDP ••3 connector cables
The table below gives the different references for the cables connecting the TELEFAST to the module, and their respective lengths.
|
Cable references
|
Cable lengths
|
|
TSX CDP 053
|
0.5 meters
|
|
TSX CDP 103
|
1 meter
|
|
TSX CDP 203
|
2 meters
|
|
TSX CDP 303
|
3 meters
|
|
TSX CDP 503
|
5 meters
|
Diagram showing the process for connecting the supply using a TSX CDP •01 pre-wired strand
The diagram below shows the process for connecting the encoder supply.
-
At 24 VDC for an encoder with a 10…30 VDC supply format,
-
and at 5 VDC for an encoder with a 5 VDC supply.
Catalog of TSX CDP •01 connector cables
The table below gives the different references for the cables connecting the TELEFAST to the module, and their respective lengths.
|
Cable references
|
Cable lengths
|
|
TSX CDP 301
|
3 meters
|
|
TSX CDP 501
|
5 meters
|
-
Maximum length of wires between the supply outputs and the connection points on the TELEFAST: must be less than 0.5 meters.
-
Protection on the + supply: although the module has several built-in protection systems to guard against wiring errors and accidental short-circuits on the cables, it is vital to install a 1A maximum non-delay fuse (Fu) on the + supply.
-
Connection of the 0 V supply to the protective ground: must be as close as possible to the supply output.