Connecting the Shield to the Local Ground at One End of the Cable and to the Local Ground via a Surge Suppressor at the Other End
(Original Document)
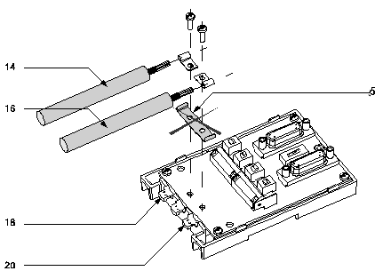
Principle
Only cable 16 shown is connected to the local ground. Cable 14 shown is connected to the local ground via a surge suppressor.
NOTE: Ground link 5 shown is not used.
Illustration
This diagram shows the principle for locally grounding the cable.
Connecting several devices together: