Connexion de borniers au système de précâblage TELEFAST
(Traduction du document original anglais)
Généralités
Le système TELEFAST 2 est un ensemble de produits permettant une connexion rapide des modules depuis la plage Micro et Premium. Il se comporte comme un substitut pour les borniers à vis, en réalignant la connexion unifilaire.
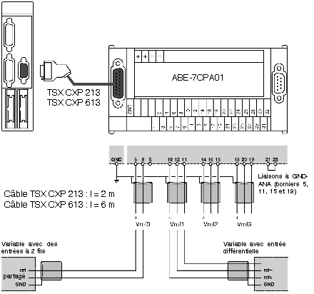
La connexion aux borniers de vitesse de référence est nécessaire lorsque les variateurs de vitesse sont éloignés les uns des autres. Le système de précâblage TELEFAST facilite l'installation en permettant d'accéder aux signaux via les borniers à vis. Connexion au module avec la référence TELEFAST : ABE-7CPA01 fournit un câble équipé d'un connecteur SUB-D 9 broches du côté module et un connecteur SUB-D 15 broches du côté TELEFAST. Ce câble peut être : TSX CXP 213 ou TSX CXP 613.
Schéma de principe
Ce schéma illustre le principe relatif à la connexion via le système de précâblage TELEFAST :