Généralités
Les entrées I0, I1, I3 sont des entrées rapides qui doivent être connectées au capteur par du fil torsadé si celui-ci est un contact sec, ou par des câbles blindés s'il s'agit d'un détecteur de proximité 2 fils ou 3 fils.
Le module intègre une protection de base contre les courts-circuits ou les inversions de tension. Le module ne peut toutefois pas fonctionner longtemps avec une erreur. Aussi devez-vous vous assurer que les fusibles en série avec l'alimentation assurent leur fonction de protection. Ces fusibles seront du type rapide et d'un calibre maximum de 1A, l'énergie délivrée par l'alimentation devra être suffisante pour en assurer la fusion.
Note importante : câblage des sorties statiques Q0
L'actionneur connecté sur la sortie Q0 a son point partagé au 0V de l'alimentation. Si pour une raison quelconque (mauvais contact ou débranchement accidentel), il y a une coupure du 0V de l'alimentation de l'amplificateur de sortie alors que le 0V des actionneurs reste connecté au 0V de l'alimentation, il pourrait y avoir un courant en sortie de l'amplificateur de quelques mA suffisant pour maintenir enclenché des actionneurs de faible puissance.
Illustration :

Connexion par TELEFAST
C'est le type de connexion qui apporte le plus de garanties à condition de connecter les actionneurs partagés sur la barrette des points partagés 200 à 215 (cavalier en position 1-2). Dans ce cas, il ne peut y avoir de coupure du module partagé sans coupure des actionneurs partagés.
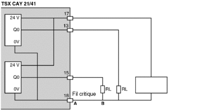
Connexion par laizes
C'est le type de connexion qui devra être réalisé avec le plus d'attention. Il est recommandé le plus grand soin dans la réalisation du câblage, en utilisant par exemple des embouts de câblage au niveau des bornes à vis. Au besoin il sera nécessaire de doubler les connexions afin d'assurer la permanence des contacts. Lorsque l'alimentation des actionneurs est éloignée des modules et proche des actionneurs partagés, il peut y avoir rupture accidentelle de la liaison entre ce commun et le bornier de 0 V ou des modules.
Illustration :

En cas de rupture du tronçon d'alimentation compris entre A et B, les actionneurs RL risquent de ne pas rester opérationnels. Il faut, si cela est possible, doubler les connexions de 0V d'alimentation des modules.
Avec les laizes TSX CDP 301/501 :


