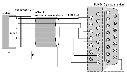
Exemple de raccordement d’un codeur incrémental avec sorties PNP à collecteur ouvert
(Traduction du document original anglais)
Caractéristiques codeur
Schéma de principe
Ce schéma vous montre le principe de raccordement :
Schéma de raccordement d’une voie
Ce schéma vous montre le principe de raccordement d’une voie :
*EPSR : retour alimentation codeur.
Si le codeur ne dispose pas de retour alimentation, reliez l’entrée EPSR, côté codeur au + de l’alimentation.
(1) réalisez directement cette liaison si le codeur est isolé de la masse.