

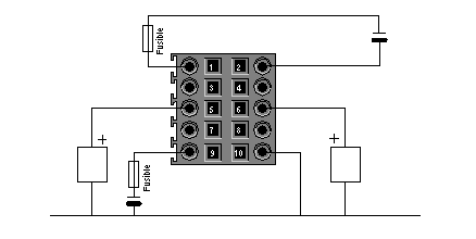
|
Numéro de broche
|
Symbole
|
Description
|
|---|---|---|
|
1
|
24V_IN
|
Entrée 24 VCC pour l'alimentation d'entrée
|
|
2
|
GND_IN
|
Entrée 0 VCC pour l'alimentation d'entrée
|
|
5
|
Q0-1
|
Sortie Q0 pour la voie de comptage 1
|
|
6
|
Q0-0
|
Sortie Q0 pour la voie de comptage 0
|
|
7
|
Q1-1
|
Sortie Q1 pour la voie de comptage 1
|
|
8
|
Q1-0
|
Sortie Q1 pour la voie de comptage 0
|
|
9
|
24V_OUT
|
Entrée 24 VCC pour l'alimentation de sortie
|
|
10
|
GND_OUT
|
Entrée 0 VCC pour l'alimentation de sortie
|


|
Numéro de broche
|
Symbole
|
Description
|
|---|---|---|
|
1, 2, 7, 8
|
24V_SEN
|
Sortie 24 VCC pour l'alimentation du capteur
|
|
5, 6, 13, 14
|
GND_SEN
|
Sortie 0 VCC pour l'alimentation du capteur
|
|
15, 16
|
FE
|
Terre fonctionnelle
|
|
3
|
IN_A
|
Entrée A
|
|
4
|
IN_SYNC
|
Entrée de synchronisation
|
|
9
|
IN_B
|
Entrée B
|
|
10
|
IN_EN
|
Entrée de validation
|
|
11
|
IN_REF
|
Entrée de référencement
|
|
12
|
IN_CAP
|
Entrée de capture
|
|
Etape
|
Action
|
|---|---|
|
1
|
Dans le menu Automate, cliquez sur Mode Standard,
|
|
2
|
Dans le menu Génération, cliquez sur Regénérer tout le projet. Votre projet est généré et prêt à être transféré à l'automate. Lors de la génération du projet, une fenêtre de résultats s'affiche. En cas d’erreur dans le programme, Control Expert indique son emplacement lorsque vous cliquez sur la séquence mise en surbrillance.
|
|
3
|
Dans le menu Automate, cliquez sur Connexion. Vous êtes connecté à l'automate.
|
|
4
|
Dans le menu Automate, cliquez sur Transfert du projet vers l'automate. La fenêtre Transfert du projet vers l'automate s'ouvre. Cliquez sur Transférer. L'application est transférée vers l'automate.
|
|
5
|
Dans l'Automate, cliquez sur Exécuter. La fenêtre Exécuter s'ouvre. Cliquez sur OK. L'application est maintenant en cours d'exécution (en mode RUN) sur l'automate.
|