B881–508 125 Vdc Output, Field Connections
(Original Document)
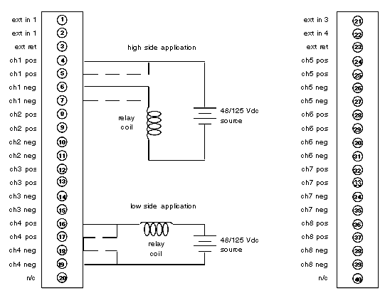
Overview
User connections are made to a standard screw terminal strip.The rigid wiring system permits module insertion or removal without disturbing the wiring.
The following illustration shows the B881–508 terminal numbering
NOTE: Reverse voltage protection
This module does not provide reverse voltage protection. Check for proper voltage polarity of the output wiring.