At a Glance
The BMX DRC 0805 module is fitted with a removable 40-pin terminal block for the connection of eight relay output channels.

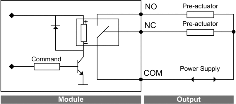
Output Circuit Diagram
The following diagram shows the circuit of a relay output.

NO: Normally open output
NC: Normally closed output
Module Connection
| DANGER | |
|---|---|
| CAUTION | |
|---|---|
The following diagram shows the connection of the module to the pre-actuators.

Power supply: 24...125 Vdc or 24...240 Vac
Fuse: Use appropriate fast-blow fuse for each relay.
N/C: Not connected

