Modellflugverein Bassersdorf
Geschätzte Mitglieder
Wie bereits angekündigt, haben wir am vergangenen Mittwoch, den 27. September 2016 die erwähnte Spektrummessung auf unserem Flugplatz durchgeführt. Sinn / Ziel und Zweck dieser Vorkehrung bestand darin, den vorgekommenen Abstürzen nach Möglichkeit auf den Grund zu kommen. Vermutungen über die Ursache der einzelnen Abstürze wurden verständlicherweise diskutiert, viele Fragen standen (stehen noch immer) im Raum, eine Hoffnung bestand in der Spektrummessung.
Paul Rudolf, seines Zeichen Spezialist in der Elektrotechnik; zuständig im SMV für Fragen im Frequenzbereich, stellte sich mit seinem Equipment zur Durchführung der Messungen dankenswerter weise zur Verfügung. Eine erfreuliche Anzahl von Mitgliedern des MFV -BD interessierte sich für die Ausführung der Messungen, respektive über mögliche Resultate.
- Paul informierte sich zuerst bei den Kollegen, welche Abstürze zu verzeichnen haben, wie sich das Unglück zugetragen hat.
- Absturzstelle / Distanz / Höhe / Wetterverhältnisse / starker Wind mit Böen / andere eventuelle Vorkommnisse..
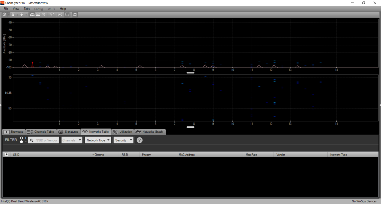
- Zur Justierung des Laptop von Paul, mit installiertem Programm 2,4 GHz, stellten wir sämtliche Handys ausser Betrieb (Siehe Aufzeichnung Grafik )
- Dann startete Paul seinen Easy Glider für die Feldstärkenmessung, flog mehrmals alle erwähnten kritischen Zonen ab: Bis zur Strasse / über die Strasse / Tiefe Flughöhe in allen Zonen wie von den Kollegen genannt / Landeanflug mit Westwind über das Maisfeld / zurück bis zum Waldeck Richtung Strasse (starke Böen, sehr unruhiger Flug)
- Während der ganzen Aktion wurde die Aufzeichnung auf dem Display des Senders genau beobachtet durch Bruno.
Resultat: Es konnten keine Störsignale irgendwelcher Art festgestellt werden. Zur definitiven und präzisen Auswertung der Aufzeichnung, hat Paul die Auswertung an uns zugestellt. (Siehe Anhang.)
Die anschliessende Diskussion unter den Anwesenden brachte wie vermutet, keine Erkenntnisse von EXTERNEN Störungseinwirkungen. Es müssen andere Gründe für die Abstürze vorliegen, denn wie erwähnt, es konnten keine Störeffekte ermittelt werden.
Es gibt ganz wichtige Erkenntnis aus diversen Aussagen von Mitgliedern: Bei relativ starkem Westwind ist der Landeanflug, Einlenken der Kurve nach links bei ungenügender Fahrt (Geschwindigkeit) sehr gefährlich und kann durchaus zum Abschmieren führen. Das haben doch schon viele von uns erlebt, das darf nicht unterschätzt werden.
Das kann durchaus einer der Gründe für die Abstürze sein. Diese Vermutung wurde durch das „Erlebte“ bei seinem Messflug von Paul Rudolf bestätigt.
Halten wir fest:
Mit grosser Wahrscheinlichkeit besteht keine Gefahr von EXTERNEN Fremdstörungen auf unserem Flugplatz. Mit 100 Prozentiger Sicherheit kann das nicht ausgeschlossen werden, die Wahrscheinlichkeit ist aber sehr gering.
Also, Kollegen, wir Fliegen so wie immer und hoffen, dass es möglichst keine weiteren Vorfälle mehr gibt.
Für den grossen Einsatz danken wir Paul Rudolf ganz herzlich.
Mit kameradschaftlichen Grüssen
Werni Erismann
Anhang: Spektrummessung Modellflugplatz MG Bassersdorf vom 28.9.2016
Spektrum 2.4 GHz Band (alle Handys ausgeschaltet) Keine Fremdsignale gemessen!
Keine Ausschläge über -90 dBm: Sehr gut, keine Störsignale auszumachen
Zum Vergleich:
Spektrum bevor alle Handys ausgeschaltet waren, Signale höher -50 dBm, jedoch keine W-Lan Stationen auszumachen.
Aufzeichnung Sender Futaba T14SG während Testflug zu den Gebieten mit vermeintlichen Störungen
Signalstärke hatte während des ganzen Fluges keine Reduktion der Empfangsqualität Flieger über Absturzgebiet, durch Person von Strasse aus verifiziert



