Raccordement du module TBX DSS 1622
(Traduction du document original anglais)
Schéma de principe
L’illustration suivante montre le schéma de principe d’une sortie statique 24 V - 0,5 A.
1 
Seuil garanti de contrôle tension OK : > 18 V, seuil garanti de contrôle tension défectueux : < 14 V.
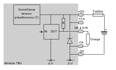
Câblage du bornier
Le schéma suivant illustre le câblage du bornier.
NOTE : vous devez câbler un fusible externe de type rapide, 12 A sur l'alimentation des capteurs/préactionneurs.
Il est obligatoire de relier entre elles les deux bornes +OS, les deux bornes -OS, ainsi que la borne -SV et une borne -OS.