Cette section fournit des schémas qui peuvent vous aider lors du câblage des types d'appareils suivants :
-
appareils à 2 fils ;
-
capteurs activés par une sortie ;
-
capteurs à 4 fils avec un actionneur à 2 fils ;
-
détection de rupture de ligne.
Le schéma ci-dessous présente un exemple de câblage d'appareils à 2 fils. Les connexions séparées aux broches 17 et 18 sont indiquées à la rangée 3, bien que ces deux broches soient connectées en interne. Cela a pour effet de diviser la charge en deux.
Capteur activé par une sortie
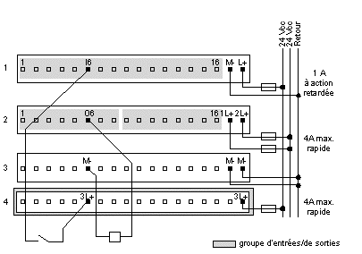
Le schéma de câblage ci-dessous montre un exemple de capteur activé par une sortie. Sur ce schéma, les capteurs sont mis sous tension uniquement lorsque les sorties des broches 6 et 14 de la rangée 2 sont importantes. Les entrées des broches 6 et 14 de la rangée 1 ne peuvent être conséquentes que lorsque l'une des sorties associées l'est également.
Les connexions séparées aux broches 17 et 18 sont indiquées à la rangée 3, bien que ces deux broches soient connectées en interne. Cela a pour effet de diviser la charge en deux.
Capteur à 4 fils avec un actionneur à 2 fils
Le schéma ci-après représente un capteur à 4 fils avec un actionneur à 2 fils. La procédure de câblage d'un capteur à 3 fils est pratiquement identique. Puisque les capteurs à 3 fils ne nécessitent pas de connexion à la terre (PE), une barre de commutation à 2 rangées pourrait remplacer celle à 3 rangées indiquée ici.
Les connexions séparées aux broches 17 et 18 sont indiquées à la rangée 3, bien que ces deux broches soient connectées en interne. Cela a pour effet de diviser la charge en deux.
Détection de rupture de ligne
Le schéma suivant présente un actionneur à trois fils ainsi qu'un schéma de câblage facultatif, utile pour détecter les ruptures de ligne. La ligne en pointillé indique si le courant est parvenu jusqu'à l'actionneur. Lorsque la sortie de la broche 6 de la rangée 2 est importante, l'entrée de la rangée 1 de cette même broche doit l'être également.
Les connexions séparées aux broches 17 et 18 sont indiquées à la rangée 3, bien que ces deux broches soient connectées en interne. Cela a pour effet de diviser la charge en deux.
Schéma d'entrée simplifié
Le schéma suivant montre le circuit d'entrée de l'unité.
Schéma de sortie simplifié
Le schéma suivant montre le circuit de sortie de l'unité.