Schémas de câblage
Traduction de la notice originale
Description
Cette section comporte un schéma qui peut vous aider lors du câblage des types d'appareils suivants :
Appareils à 2 fils
Le schéma ci-dessous présente un exemple de câblage d'appareils à 2 fils. Cet exemple utilise une entrée dans un groupe de points d'entrée. Si vous alimentez les entrées à partir de points des deux groupes d'entrées, vous devez utiliser une barre de commutation.
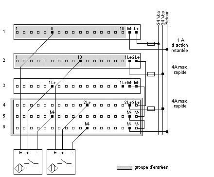
Appareils à 3 fils
Le schéma ci-dessous présente un exemple de câblage d'appareils à 3 fils.
Schéma simplifié
Le schéma suivant montre le circuit d'entrée de l'unité.