|
Diagram (front view)
|
Pin No.
|
Signal
|
Designation
|
|---|---|---|---|
![]() |
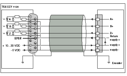
1
|
-
|
-
|
|
2
|
A-
|
Input to be connected to 0V encoder
|
|
|
3
|
B+ 24V
|
Encoder input, pulse B+ (10…30VDC)
|
|
|
4
|
-
|
-
|
|
|
5
|
Z-
|
Input to be connected to 0V encoder
|
|
|
6
|
-
|
-
|
|
|
7
|
10…30 V
|
Encoder supply output (+ 10…30VDC)
|
|
|
8
|
0 V
|
Encoder supply output (- 0VDC)
|
|
|
9
|
A+ 24V
|
Encoder input, pulse A+ (10…30VDC)
|
|
|
10
|
-
|
-
|
|
|
11
|
B-
|
Input to be connected to 0V encoder
|
|
|
12
|
Z+ 24V
|
Encoder input, zero latch pulse Z+ (10…30VDC)
|
|
|
13
|
EPSR
|
Positive encoder supply feedback input. Receives positive supply feedback from the encoder, which allows the module to verify the encoder’s presence.
|
|
|
14
|
-
|
-
|
|
|
15
|
5 V
|
Encoder supply output (+ 5VDC)
|


CAUTION |
|
ENCODER DAMAGE - PINOUT CONFIGURATION
Before connecting the encoder to the module, check the pinout configuration given by the encoder’s manufacturer.
Failure to follow these instructions can result in injury or equipment damage.
|