Wiring Diagrams
Original instructions
Overview
This section provides diagrams to assist you in wiring the following types of devices:
2-Wire Devices
The diagram below shows an example of wiring for two-wire devices. Separate connections to pins 17 and 18 are shown on row 3, even though these two pins are internally connected. This is done to halve the load.
Sensor Activated by Output
The wiring diagram below shows an example of a sensor activated by an output. The diagram shows the sensors being supplied with voltage only when the outputs on pins 6 and 14, row 2, are high. The inputs from pins 6 and 14, row 1, can be high only when one of the associated outputs is high.
Separate connections to pins 17 and 18 are shown on row 3, even though these two pins are internally connected. This is done to halve the load.
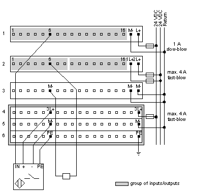
Four-Wire Sensor with a Two-Wire Actuator
The diagram below shows a four-wire sensor with a two-wire actuator. The process of wiring a 3-wire sensor is very similar to the one below. Because 3-wire sensors do not require PE, a 2-row busbar could be used instead of the 3-row busbar shown.
Separate connections to pins 17 and 18 are shown on row 3, even though these two pins are internally connected. This is done to halve the load.
Broken Wire Detection
The diagram below shows a three-wire actuator with an optional wiring scheme for broken wire detection. The dotted line reads back whether or not current has reached the actuator. When the output on pin 6, row 2, is high, the input from pin 6, row 1, must also be high.
Separate connections to pins 17 and 18 are shown on row 3, even though these two pins are internally connected. This is done to halve the load.
Simplified Input Schematics
The following diagram shows the field-side input circuitry.
Simplified Output Schematics
The following diagram shows the field-side output circuitry.