B882–032 24 Vdc Diagnostic Output, Field Connections
(Original Document)
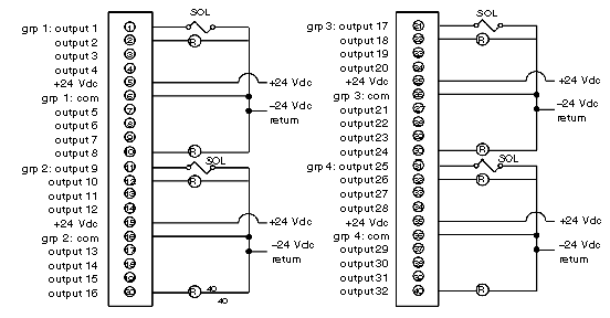
Terminal Number and Output Functions
User connections are made to a standard screw terminal strip. The rigid wiring system permits module insertion or removal without disturbing the wiring. Setting the DIP switch allows selection of bi-directional fault reporting or uni-directional non-fault reporting functionality prior to installation.
The following illustration shows the B882–032 terminal numbering and output connections