
|
max. updated %IW / QW
|
32
|
128
|
242
|
|||
|
Maximum number of I/O for the process
|
1024
|
4096
|
7744
|
|||
|
Maximum number of I/O modules
|
64
|
124
|
124
|
|||
|
|
Min.
|
Max. =
2 x min.
|
Min.
|
Max. =
2 x min.
|
Min.
|
Max. =
2 x min.
|
|
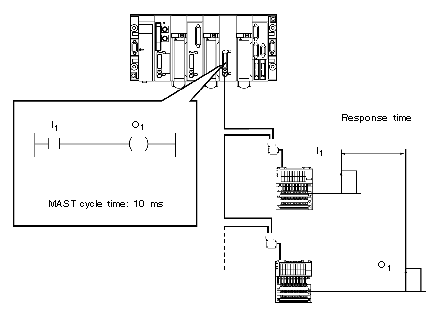
Scanning time (ms) (acquiring image I1)
|
2,44
|
4,8
|
5
|
10
|
11
|
22
|
|
MAST cycle time (in ms) (I1 = O1)
|
10,00
|
20,00
|
10,00
|
20,00
|
10,00
|
20,00
|
|
IBS scanning time (in ms) (updating O image1)
|
2,44
|
4,8
|
5
|
10
|
11
|
22
|
|
Application response time (in ms)
|
14,88
|
29,6
|
20
|
40
|
32
|
32
|