The performance data given below are those of the Ethernet channel of the TSX P57 6634/5634/4634 when using I/O scanning.
Restart Time for an I/O Scanning Configuration
This time corresponds to the time between the power up of the complete configuration and the moment when all the remote inputs/outputs become operational (the status bits are activated, the word bits %IWr.m.c.l to %IWr.m.c.4 = 1).
Values are given in seconds:
-
T= 35 s, if the module the channel is used as a DHCP server to connect the scanned devices
-
T = 17 s, if the scanned devices use another DHCP server
Input/Output Restart Time
This time corresponds to the time between the power up of the remote input/output and the moment when all the status bits are activated (word bits %IWr.m.c.l to %IWr.m.c.4 = 1).
The value is given in seconds:
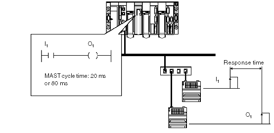
Application Response Time
This time corresponds to the elapsed time between the acquisition of a remote input and the positioning of a remote output.
This is a logic response time, which does not take filtering time and actuator and sensor interface response times into account.
This is an example of time elapsed from acquiring an input to the positioning of an output:
Response time with a cycle of 20 ms
Response time with a cycle of 80 ms