
|
Step
|
Action
|
|---|---|
|
1
|
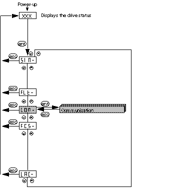
Press the ENT button on the interface.
Result: the SET (Setting) menu is displayed on the interface’s status indicator.
|
|
2
|
Press the
button several times to access the COM menu. Result: the COM (Communication) menu is displayed on the interface’s status indicator.
|
|
3
|
Press the ENT button on the interface.
Result: the COAD (CANopen Address) submenu is displayed on the interface’s status indicator.
|
|
4
|
Press ENT again.
Result: a value corresponding to the device’s CANopen address is displayed.
|
|
5
|
Press the
button to decrease, or the button to increase the CANopen address value. Press ENT when the desired CANopen address is displayed (5).
Result: the value is confirmed and the COAD (CANopen Address) submenu is displayed again.
|
|
6
|
Press the
button to access the COBD (CANopen Baud) submenu. Press ENT.
Result: a value corresponding to the device’s CANopen speed is displayed.
|
|
7
|
Press the
button to increase, or the button to decrease the CANopen baud rate value. Press ENT when the desired CANopen speed is displayed (500).
Result: the value is confirmed and the COBD (CANopen Baud) submenu is displayed again.
|
|
8
|
Press ESC several times to return to the main display (RDY by default).
|